Motor electric trifazat 0.25kw 3000rpm 63 B5

Piese utilaje industriale 2 vizualizari Nou Vanzare ID: 20505
380,00 lei

Publicat la 26/01/2026

Distribuiti pe WhatsAppDistribuiti pe FacebookDistribuiti pe Viber
Finanteaza acest produs din 1.31lei pe luna Trimite mesajDoar pentru utilizatorii autentificati
Editeaza
Sterge
Incepeti sa discutati pe chat
Utilizatorul este offline
Incepeti sa discutati pe chat
Utilizatorul este online

Descriere

Scanati QR Codul QR
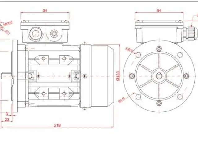
Putere: 0,25kw;
Turatie: 3000rpm/2poli;
Gabarit: 63;
Diametru ax: 11mm;
Fixare: B5;
Prindere: Flansa mare;
Diametru Flansa: 140mm;
Carcasa din: Aluminiu

Putere si Turatie Ridicata: Motoare Electrice Trifazate 3000 RPM

Va prezint gama de motoare electrice trifazate de 3000 rpm, dezvoltate pentru aplicatii care necesita viteza mare de rotatie, performanta constanta si fiabilitate ridicata. Aceste motoare asincrone trifazate cu 2 poli sunt concepute pentru utilizare intensiva in domenii industriale si comerciale, oferind un echilibru optim intre putere, eficienta si rezistenta in timp.

Alimentarea trifazata contribuie la o functionare uniforma, un cuplu de pornire stabil si o uzura redusa a componentelor, ceea ce face ca aceste motoare sa fie solutia ideala pentru echipamentele care lucreaza la turatii ridicate.

Ce Reprezinta un Motor Electric de 3000 RPM

Valoarea de 3000 RPM indica turatia nominala a arborelui motorului la o frecventa de alimentare de 50 Hz. Aceasta viteza este specifica motoarelor cu 2 poli si este esentiala pentru aplicatii unde este necesara o actionare rapida, cu mentinerea puterii sub sarcina continua.

Domenii de Utilizare pentru Motoarele Trifazate 3000 RPM

Datorita constructiei robuste si a performantelor ridicate, aceste motoare sunt frecvent utilizate in:
• Ventilatoare si suflante de mare turatie
• Pompe centrifugale pentru transfer rapid de fluide
• Compresoare industriale cu piston sau surub
• Utilaje pentru prelucrarea lemnului
• Benzi transportoare cu viteza crescuta
• Echipamente de slefuire, rectificare si polizare

Beneficii Principale

• Eficienta energetica sporita, pentru un consum optimizat
• Constructie solida, proiectata pentru functionare indelungata
• Performanta constanta, chiar si in conditii de sarcina ridicata
• Flexibilitate la montaj, disponibile cu talpa (B3) sau flansa (B5/B14)

Reglajul Turatiei si Accesorii Recomandate

Desi motoarele de 3000 rpm functioneaza la o turatie nominala fixa, viteza de rotatie poate fi ajustata cu precizie prin utilizarea unui convertizor de frecventa trifazat. In anumite configuratii, in functie de sursa de alimentare disponibila, poate fi necesar si un convertizor de frecventa monofazat.

Pentru o transmitere eficienta a miscarii si pentru reducerea vibratiilor, recomandam utilizarea cuplajelor elastice compatibile, adaptate tipului de motor si aplicatiei.

Cum Alegeti Motorul Trifazat Potrivit

Pentru selectia corecta a motorului electric, este important sa tineti cont de urmatoarele aspecte:
1. Puterea necesara (kW), in functie de sarcina utilajului
2. Tipul de montaj dorit – pe talpa (B3) sau cu flansa (B5/B14)
3. Conditiile de lucru, pentru alegerea gradului de protectie IP corespunzator
4. Integrarea in sistem, prin folosirea unor cuplaje elastice de calitate pentru aliniere corecta si functionare fara vibratii

Consultanta Tehnica si Suport Personalizat

Ofer asistenta tehnica gratuita pentru alegerea motorului trifazat de 3000 rpm si a accesoriilor potrivite, in functie de cerintele specifice ale proiectului dumneavoastra. Va stau la dispozitie pentru recomandari si oferte personalizate, astfel incat sa realizati o investitie sigura si eficienta. Contactati-ma pentru detalii suplimentare si solutii adaptate nevoilor dumneavoastra.

Locatie

Bucuresti
Bucureşti
Romania
44.4775537, 26.0713416
Obtineti indicatii de orientare →

Comentarii

Nu au fost adaugate comentarii inca
Adauga comentariu
072466xxxx Trimite mesaj
emotoare
emotoare
218 anunturi active
Ultima data online 3 saptamani in urma
Inregistrat acum 3+ luni
Romania
072466xxxx
Profilul vanzatorului Toate anunturile vanzatorului (218)

Atentie!

Nu plati niciodata un depozit intr-un cont bancar pana cand nu l-ai intalnit pe vanzator sau pana la semnarea unui act.
Niciun vanzator privat serios nu cere bani in avans.
Primirea unui e-mail cu un ID scanat nu inseamna ca ai identificat expeditorul. Acest lucru il faci pe loc sau la semnarea unui act.
Raporteaza anuntul
072466xxxx Trimite mesaj
Anunturi Gratuite, Vizibile Pentru Milioane De Cumparatori. Creeaza-ti un cont gratuit